熱搜詞:皮帶輸送機 螺旋輸送機 給料設備 篩分設備 備品備件
近期相信大家都對“大傾角皮帶機使用哪種清掃器”這個話題比較感興趣,要想知道這個話題答案,那么我們首先要了解一些與之相關的內容,坤威機械的小編精心整理了該話題的相關內容,那么下面就讓坤威機械的小編帶大家一起了解一下吧!
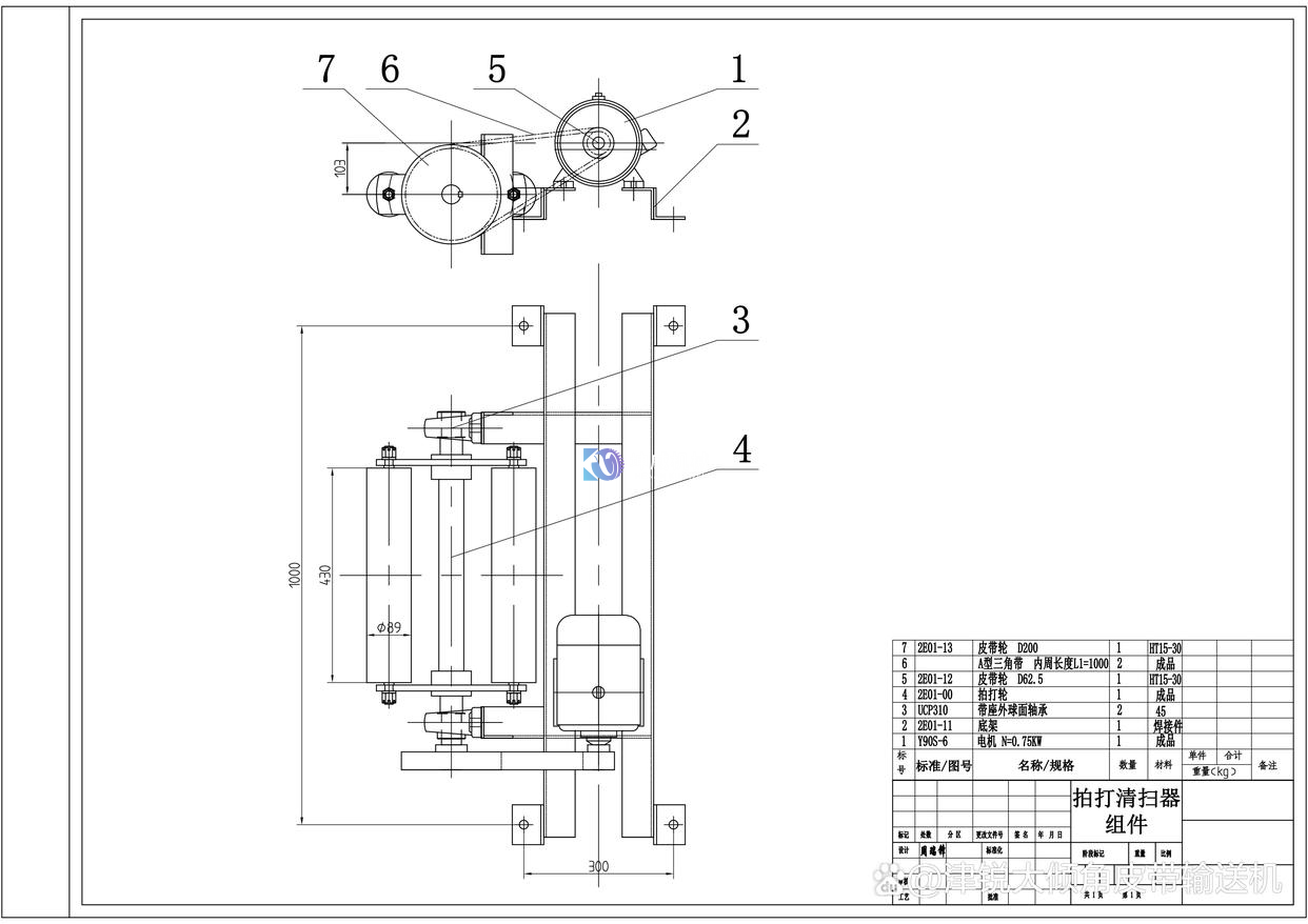
清掃器的類型多樣,像是振動清掃器、、拍打清掃器、刮板清掃器等等,其中大傾角皮帶機一般情況下,使用的為拍打清掃器。

輥錘垂體采用耐磨聚氨酯,所以清掃器也被稱為聚氨酯清掃器,適用于各種行業各類帶寬輸送機,尤其對難以用常規清掃器的花紋皮帶以及大傾角裙邊皮帶效果尤其明顯。且因其大傾角皮帶機結構及其膠帶等特征,所以選擇此拍打清掃器更為合適。
清掃器用于清掃大傾角皮帶機回程皮帶或卸載滾筒下部皮帶工作面,屬二道或三道清掃器。輥錘的旋轉方向與回程輸送帶的運行方向相反,通過輥錘對帶面錘擊,有效清除擋邊輸送帶槽內的粘附物,并具有減少揚塵、改善環境、節約成本等功能。
拍打清掃器可用于大傾角皮帶機的頭部清掃,亦可用于中段清掃。特點:
1、一體化設計,安裝、調整方便,適用性強;
2、清掃過程中不會造成膠帶跑偏現象;
3、安全可靠、使用壽命長、維修費用低;
4、清掃器工作時,清掃點振動錘擊,清掃有力,清掃效果好;
5、聚氨酯偏心錘體具有較高耐磨性,使用壽命長。
6、對膠帶無磨損,延長膠帶使用壽命。
以上就是坤威機械為大家整理《大傾角皮帶機使用哪種清掃器》的全部內容了,(以上內容僅供參考,具體情況需要具體分析,并不適用于所有現場。如有問題概不負責。)如果想了解更多關于輸送機的知識,請撥打我們的電話進行聯系吧
本文標題:大傾角皮帶機使用哪種清掃器
本文作者:河南坤威機械制造有限公司